SO83621 L

Mässing T-rör med svivel förnicklad

  • T-rör med svivel förnicklad mässing
Visa alla mått +
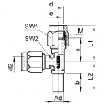
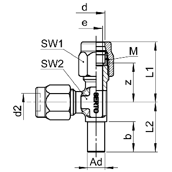
Artikelnummer RSK dd2ADbarMSW1/SW2L1/L2bzeFiler
0383610045 446100M10x112/1023.5/17.511163.4
0383610060 666125M10x112/1023.5/17.511164
Datablad