SO81600

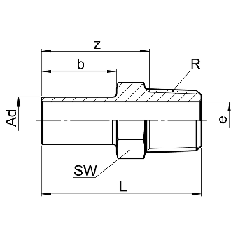
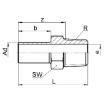
Mässing Adaptor utv gänga förnicklad

  • Adaptor förnicklad mässing
  • Utvändig gänga
Visa alla mått +
Artikelnummer RSK ADRSWLbzeFiler
0381601100 61/812261319.54
0381601110 61/414311321.54
0381601390 123/8173618269
Datablad