SO81300

Mässing Adaptor förnicklad

  • Adaptor förnicklad mässing
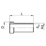
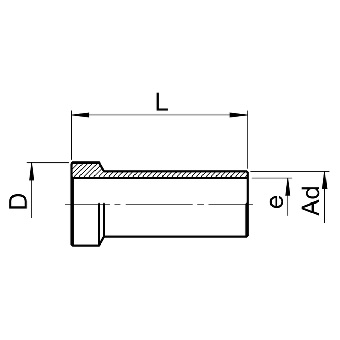
Visa alla mått +
Artikelnummer RSK ADLDeFiler
0381300060 6198.44
0381300120 123014.79
0381300150 15311812
0381300180 18362215
Datablad