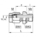
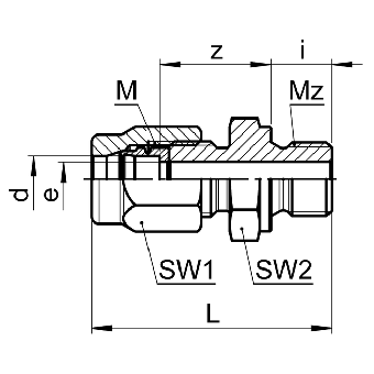
SO81124 METR

Mässing Union utv gänga förnicklad

  • Union förnicklad mässing
  • Utvändig gänga
Visa alla mått +
Artikelnummer RSK dMzbarMSW1SW2LDizeFiler
0381143020 2M5125M6x0.758818104.59.51.5
0381143050 3M5125M6x0.758820104.5102.2
0381143090 4M8x1125M8x110122912.58153.4
0381143180 6M10x1200M10x1121430.514.5814.54.5
0381143240 8M12x1.5125M12x1141737.517.512176
Datablad