SO81021 RED

Mässing Union förnicklad

  • Union förnicklad mässing
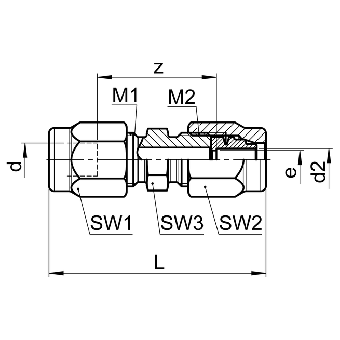
Visa alla mått +
Artikelnummer RSK dd2barM1M2SW1/SW2/SW3LzeFiler
0381024110 64100M10x1M10x112/12/1037.522.53.4
0381024190 108125M14x1M14x117/17/144626.56.5
0381024240 121080M16x1M16x119/19/1748.5308.5
0381024420 151240M20x1.5M20x1.524/24/22573210
0381024610 181525M24x1.5M24x1.527/27/24613313
Datablad