SO80503

Mässing Slangsockel förnicklad

  • Slangsockel förnicklad mässing
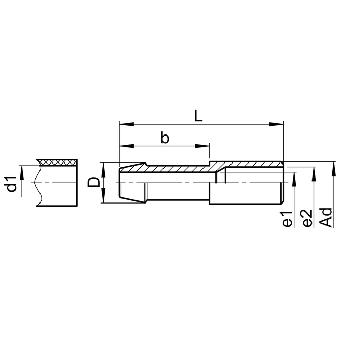
Visa alla mått +
Artikelnummer RSK ADd1LDbe1e2Filer
0360500110 642551134
0360500121 68319.51744
0360500260 121339152199
0360500430 15134115211212
0360500620 18164718261315
Datablad