Hem / Produkter / Koppling / Slang / Instrumentkoppling / SO80021 RED
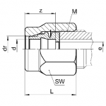
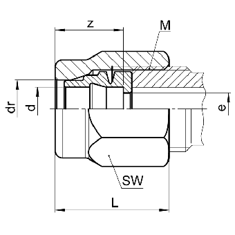
Mässing Mutter med klämring förnicklad
”*” anger obligatoriska fält
E-postadress
Lösenord
Kom ihåg mig