SO80020

Mässing Mutter förnicklad

  • Mutter förnicklad mässing
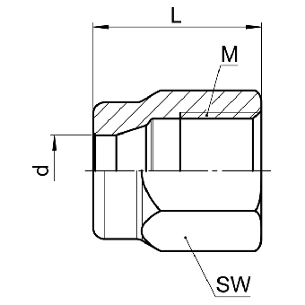
Visa alla mått +
Artikelnummer RSK dbarMSWLFiler
0360200060 6200M10x11214.5
0360200180 1825M24x1.52724
Datablad