SO80001 RED

Mässing Klämring förnicklad reducerad

  • Klämring förnicklad mässing
  • Reducerad
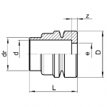
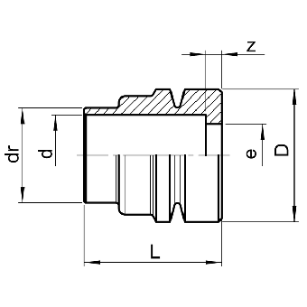
Visa alla mått +
Artikelnummer RSK ddrLDzeFiler
0360014110 468.58.413.4
0360014190 81011.512.71.26.5
0360014610 151815.7221.413
Datablad