SO53621-L

Syrafast Svivel T-rör

  • Syrafast T-rör, ställbart
  • SS 316 Ti, 1.4571
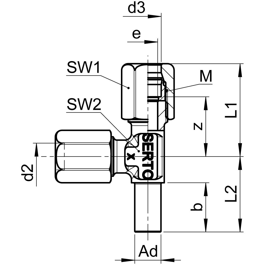
Visa alla mått +
Artikelnummer RSK Ad×d2×d3barMSW1SW2L1L2bzeFiler
0583610045 A6-4-420010×1129241812.5163.5
0583610053 A6-5-520010×1129241812.5164
0583610060 A6-6-620010×1129241812.5164
0583610061 A6-6,35-6,3520010×1129241812.5164
0583610063 A8-6-620012×1141026.52315184.5
0583610068 A8-6,35-6,3520012×1141026.52315184.5
0583610080 A8-8-820012×1141026.52315186
0583610083 A10-8-816014×117123225.51720.56.5
0583610100 A10-10-1016014×117123225.51720.57
0583610120 A12-12-1216016×1191733.526.51821.59
Datablad