SO52824

Syrafast Banjo utv gänga

  • Syrafast Banjo
  • Utvändig gänga
  • SS 316 Ti, 1.4571
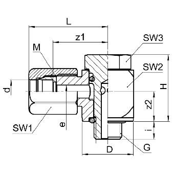
Visa alla mått +
Artikelnummer RSK dGbarMSW1/SW2/SW3LDHiz1/z2eFiler
0582841082 51/8200M10x112/16/142618236.518/10.54.5
0582841135 6.351/8200M10x112/16/142614236.518/10.54.5
0582841230 9.521/4160M14x117/24/19321927.58.520.5/128.5
0582841390 123/8160M16x119/30/24362437.59.524/1510.5
0582841400 121/2100M20x1.524/35/27422743.51128/1813
0582841434 12.71/2160M20x1.524/35/27422743.51128.5/1813
0582841504 141/2100M20x1.524/35/2742.52743.51128.5/1813
0582841646 181/2100M24x1.530/35/27442743.51128.5/1813
Datablad