SO52824 METR

Syrafast Banjo utv gänga

  • Syrafast Banjo
  • Utvändig metrisk gänga
  • SS 316 Ti, 1.4571
Visa alla mått +
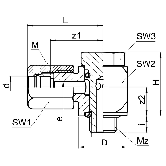
Artikelnummer RSK dMzbarMSW1/SW2/SW3LDHiz1/z2eFiler
0582843050 3M5250M8x110/12/102212155.515/63.5
0582843080 4M5250M8x110/12/1021.512155.515/63.5
0582843110 5M5250M8x110/12/102212155.515/63.5
0582843275 10M12x1.5160M14x117/24/19322127.58.520.5/128.5
0582843646 18M22x1.5100M24x1.530/35/27443243.51128.5/1813
Datablad