SO52625

Syrafast Vinkel justerbar
SS 316 Ti, 1.4571

  • Syrafast Vinkel 90°
  • Justerbar
Visa alla mÄtt +
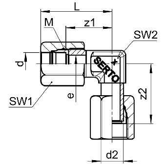
Artikelnummer RSK dd2barMSW1/SW2Lz1/z2eFiler
0582620045 46200M10x112/92416/193.5
0582620053 56200M10x112/92416/194
0582620063 68200M12x114/102718.5/244.5
0582620067 6.356200M10x112/92416/194
0582620080 88200M12x114/1026.518/246
0582620100 1010160M14x117/123220.5/26.57
0582620120 1212160M16x119/1433.521.5/27.59
0582620150 1515100M20x1.524/1738.524.5/31.512
0582620180 1818100M24x1.530/244529.5/48.515
Datablad