SO52621

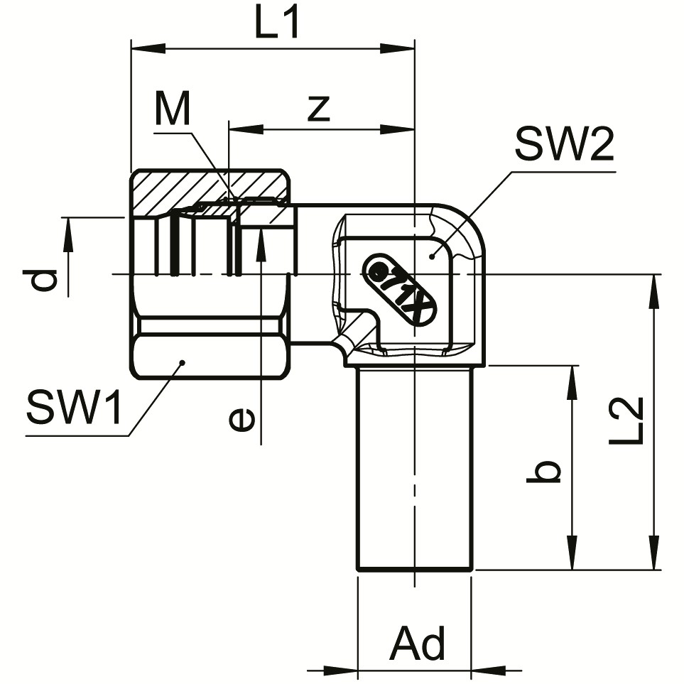
Syrafast Svivel vinkel 90°

  • Syrafast Vinkel
  • Ställbar
  • SS 316 Ti, 1.4571
Visa alla mått +
Artikelnummer RSK dADbarzMeSW1SW2L1L2Filer
0582600045 462001610 x 13.51292418
0582600053 562001610 x 141292418
0582600060 662001610 x 141292418
0582600063 6820018.512 x 14.514102723
0582600067 6.3562001610 x 141292418
0582600080 882001812 x 16141026.523
0582600083 8101602114 x 16.517123225.5
0582600100 101016020.514 x 1717123225.5
0582600120 121216021.516 x 19191433.526.5
0582600150 151510024.520 x 1,512241738.530
0582600180 181810029.524 x 1,51530244547
Datablad