SO52421 NPT

Syrafast Vinkelunion utv gänga

  • Syrafast Vinkelunion
  • Utvändig NPT gänga
  • SS 316 Ti, 1.4571
Visa alla mått +
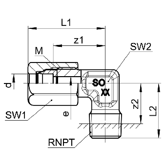
Artikelnummer RSK dRbarMSW1/SW2L1/L2z1/z2eFiler
0582402040 3NPT1/8250M8x110/922/1716/132.5
0582402060 4NPT1/8250M8x110/921.5/1716/133.5
0582402082 5NPT1/8250M8x110/922/1716/133.5
0582402100 6NPT1/8200M10x112/924/1716/134.5
0582402135 6.35NPT1/8200M10x112/924/1716/134.5
0582402140 6.35NPT1/4200M12x114/1026.5/22.518/18.54.5
0582402230 9.52NPT1/4160M14x117/1232/2520.5/198
0582402434 12.7NPT1/2100M20x1.524/1738/29.524.5/21.511
0582402474 13.5NPT1/2100M20x1.524/1738.5/29.524.5/21.512
0582402504 14NPT1/2100M20x1.524/1738.5/29.524.5/21.512
0582402534 15NPT1/2100M20x1.524/1738.5/29.524.5/21.513
Datablad