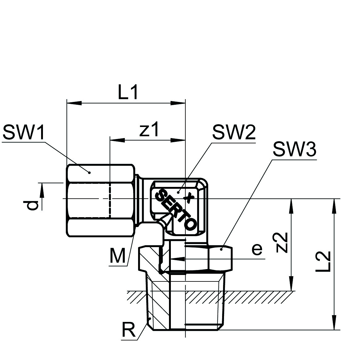
SO52121

Syrafast Union vinkel 90° utv gänga

  • Syrafast Vinkel
  • SS 316 Ti, 1.4571
  • Utvändig gänga
Visa alla mått +
Artikelnummer RSK dRbarMeSW1/SW2SW3L1/L2z1/z2z1Filer
0582101100 61/820010 x 14.512/91224/2616/21
0582101110 61/420010 x 14.512/91424/3016/22
0582101160 81/820012 x 16.514/101426,5/2818/24
0582101180 83/820012 x 16.514/101726,5/3218/24
0582101265 101/816014 x 1617/121732/3120,5/26
0582101280 103/816014 x 18.517/121732/34,520,5/26,5
0582101285 101/216014 x 18.517/122232/35,520,5/27,5
0582101380 121/416016 x 18.519/141934/36,521,5/28,5
0582101400 121/216016 x 19.519/142234/39,521,5/29,5
0582101532 153/810020 x 1,510.524/172438,5/3924,5/31
0582101566 161/210024 x 1,513.530/223042/4626,5/38
0582101646 181/210024 x 1,513.530/223042/4626,5/38
0582101648 183/410024 x 1,51530/223042/46,526,5/37
0582101768 223/46428 x 1,51932/273649,5/50,530,5/41
0582101240 9.521/216014 x 18.517/122232/35,520,5/27,5
0582101616 17.21/210024 x 1,513.530/223042/4626,5/38
0582101738 21.33/46428 x 1,51932/273649,5/50,530,5/41
Datablad