SO52121 NPT

Syrafast Vinkelunion utv gänga

  • Syrafast Vinkelunion
  • Utvändig NPT gänga
  • SS 316 Ti, 1.4571
Visa alla mått +
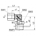
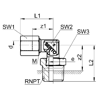
Artikelnummer RSK dRbarMSW1/SW2/SW3L1/L2z1/z2eFiler
0582102110 6NPT1/4200M10x112/9/1424/3216/224.5
0582102285 10NPT1/2160M16x119/14/2232/41.520.5/27.58.5
0582102400 12NPT1/2160M16x119/14/2234/42.521.5/28.59.5
Datablad