SO52121 METR

Syrafast Vinkelunion utv gänga

  • Syrafast Vinkelunion
  • Utvändig metrisk gänga
  • SS 316 Ti, 1.4571
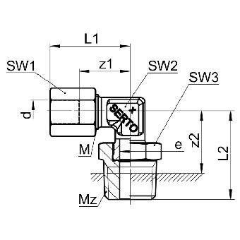
Visa alla mått +
Artikelnummer RSK dMzbarMSW1/SW2/SW3L1/L2z1/z2eFiler
0582143055 3M6x0.75250M8x110/9/1022/2416/20
0582143060 3M8x1250M8x110/9/1022/2616/23
0582143085 4M6x0.75250M8x110/9/1021.5/2416/20
0582143090 4M8x1250M8x110/9/1021.5/2616/23
0582143115 5M6x0.75250M8x110/9/1022/2416/20
0582143125 5M8x1250M8x110/9/1022/2616/23
Datablad