SO51825

Syrafast Adaptor reducerad

  • Syrafast Adaptor
  • Reducerad
  • SS 316 Ti, 1.4571
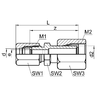
Visa alla mÄtt +
Artikelnummer RSK d2dbarM1/M2SW1/SW2/SW3LzeFiler
0581820167 104160M10x1/M14x112/12/1738.530.53.5
0581820170 105160M10x1/M14x112/12/1738.530.54
0581820175 106160M10x1/M14x112/12/1738.530.54.5
0581820215 126160M12x1/M16x114/14/1943.5354.5
0581820217 126.35160M12x1/M16x114/14/1943354.5
0581820225 128160M12x1/M16x114/14/1943.5356.5
0581820400 158100M14x1/M20x1.517/17/2448.537.56.5
0581820408 159.52100M14x1/M20x1.517/17/244937.58
0581820410 1510100M14x1/M20x1.517/17/244937.58.5
0581820575 1810100M16x1/M24x1.519/19/305441.58.5
0581820580 1812100M16x1/M24x1.519/19/3053.541.510
0581820730 221264M20x1.5/M28x1.524/24/3258.544.510
0581820732 2212.764M20x1.5/M28x1.524/24/325844.511
0581820737 2213.564M20x1.5/M28x1.524/24/3258.544.512
0581820740 221464M20x1.5/M28x1.524/24/3258.544.512
Datablad