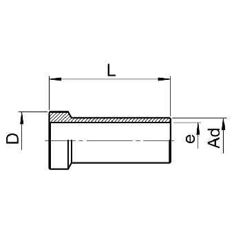
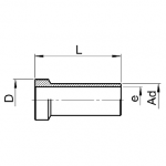
SO51304

Syrafast Stödhylsa

  • Syrafast Stödhylsa
  • SS 316 Ti, 1.4571
Visa alla mått +
Artikelnummer RSK ADbarLL2DeFiler
0561310080 83510.95.6
0561310120 124214.98
0561310280 286233.925
Datablad