SO51124 METR

Syrafast Union utv gänga

  • Syrafast Union
  • Utvändig metrisk gänga
  • SS 316 Ti, 1.4571
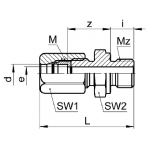
Visa alla mått +
Artikelnummer RSK dMzbarMSW1/SW2LizeFiler
0581143020 2M5250M6x0.758/8184.5101.5
0581143040 2M6x0.75250M6x0.758/8195.5101.5
0581143067 3.2M5250M6x0.758/819.54.5102.2
0581143080 4M5200M8x110/8234.5132.2
0581143110 5M5200M8x110/823.54.5132.2
0581143155 6M5200M10x112/1025.54.5132.2
0581143205 6.35M5200M10x112/1025.54.5132.2
Datablad