SO47624

Mässing Banjo med ventil

  • Mässing banjo med ventil
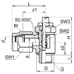
Visa alla mått +
Artikelnummer RSK dGbarMSW1/SW2/SW3LDHiz1/z2eFiler
0287600110 61/416M12x114/19/19292031.5821/13.54.5
Datablad