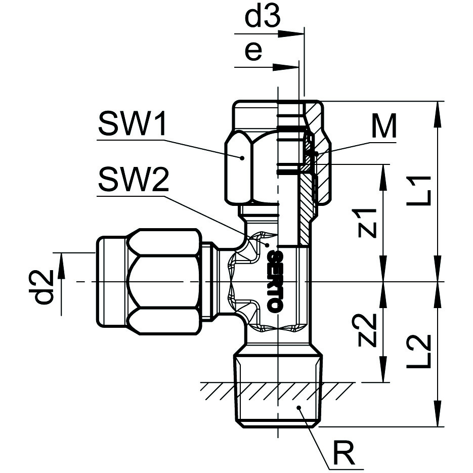
SO43721 L

Mässing Union T-rör utv gänga

  • Mässing T-rör
  • En utvändig gänga
  • *med reducerande klämring
Visa alla mått +
Artikelnummer RSK d2RbarMd3SW1SW2L1/L2z1/z2eFiler
0183711030 31/81258 x 13101010/1016/10,52.5
0183711050 41/81258 x 14101010/1016/10,53.4
0183711070 51/81258 x 15101010/1016/10,53.5
0183711140 41/412510 x 14121012/1018/134
0183711160 51/412510 x 15121012/1018/134.5
0183711100 61/825010 x 16121012/1016/113.4
0183711180 61/425010 x 16121012/1018/134.5
0183711220 81/415012 x 18141014/1018/136.5
0183711260 101/412514 x 110171417/1420,5/15,58.5
0183711110 6.351/825010 x 16.35121012/1016/114.5
0183711190 6.351/425010 x 16.35121012/1018/134.5
0183711240 9.521/412514 x 19.52171417/1420,5/15,58
Datablad