SO43121 NPT

Mässing T-rör utv gänga

  • Mässing T-rör
  • Utvändig gänga
Visa alla mått +
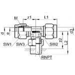
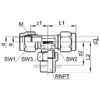
Artikelnummer RSK dRd3barMSW1/SW2/SW3L1/L2z1/z2eFiler
0183102110 6NPT1/46250M10x112/10/1423.5/3216/224
0183102170 8NPT1/48150M12x114/10/1426/3418/246
0183102270 10NPT1/410125M14x117/14/1730.5/36.520.5/26.58
Datablad