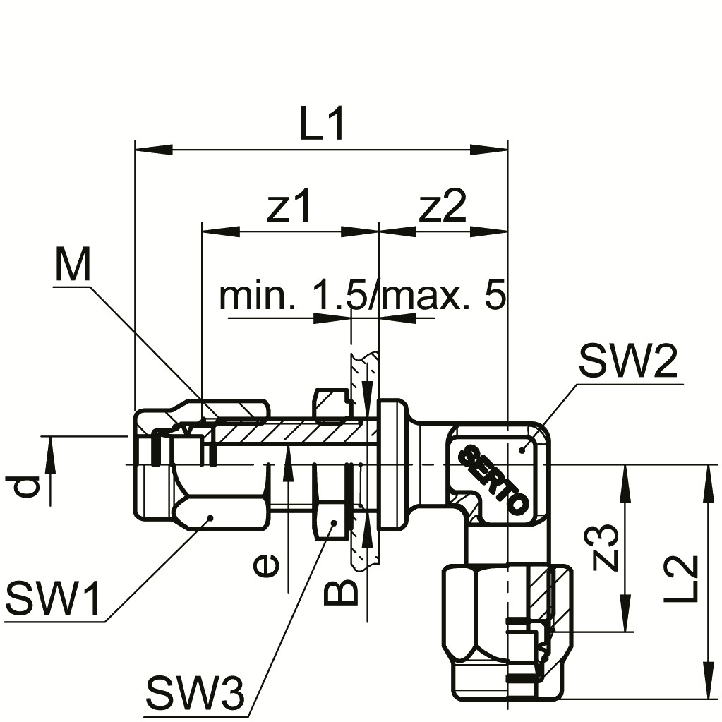
SO42721

Mässing Union vinkel 90° skottgenomföring

  • Vinkel för väggenomgång
  • Väggtjocklek max 5 mm
Visa alla mått +
Artikelnummer RSK dbarMBSW1/SW2SW3L1/L2ez1/z2z3Filer
0182700040 410010 x 11012/101440,5/25,53.419/1418
0182700050 510010 x 11012/101440,5/25,5419/1418
0182700060 625010 x 11012/101440,5/25,54.519/1418
0182700080 815012 x 11214/111745/28,56.520/1720.5
0182700100 1012514 x 11417/171949/33,58.521/1823.5
0182700120 1210016 x 116.519/171950/34.51021/1823.5
0182700130 134020 x 1,52024/192757/381124,5/2025.5
0182700140 144020 x 1,52024/192757/381224,5/2025.5
0182700150 154020 x 1,52024/192757/381324,5/2025.5
0182700063 6.3525010 x 11012/101440,5/25,54.519/1418
0182700095 9.5212514 x 11417/171949/33,5821/1823.5
0182700127 12.74020 x 1,52024/192757/381124,5/2025.5
Datablad