Hem / Produkter / Koppling / Slang / Instrumentkoppling / SO42121
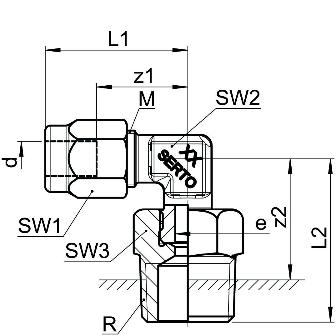
Mässing Union vinkel 90° utv gänga
”*” anger obligatoriska fält
E-postadress
Lösenord
Kom ihåg mig