SO42121 NPT

Mässing Vinkelunion utv gänga NPT

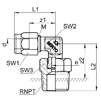
  • Mässing Vinkelunion
  • Utvändig NPT gänga
Visa alla mått +
Artikelnummer RSK dRbarMSW1/SW2/SW3L1L2z1z2eFiler
0182102110 6NPT1/4250M10x112/10/1423.5321622
0182102160 8NPT1/8150M12x114/7/1426341827
Datablad