SO41521 RED

Mässing Union rak skottgenomföring reducerad

  • Union rak skottgenomföring
  • Max 5mm
  • Reducerad
  • Mässing
Visa alla mått +
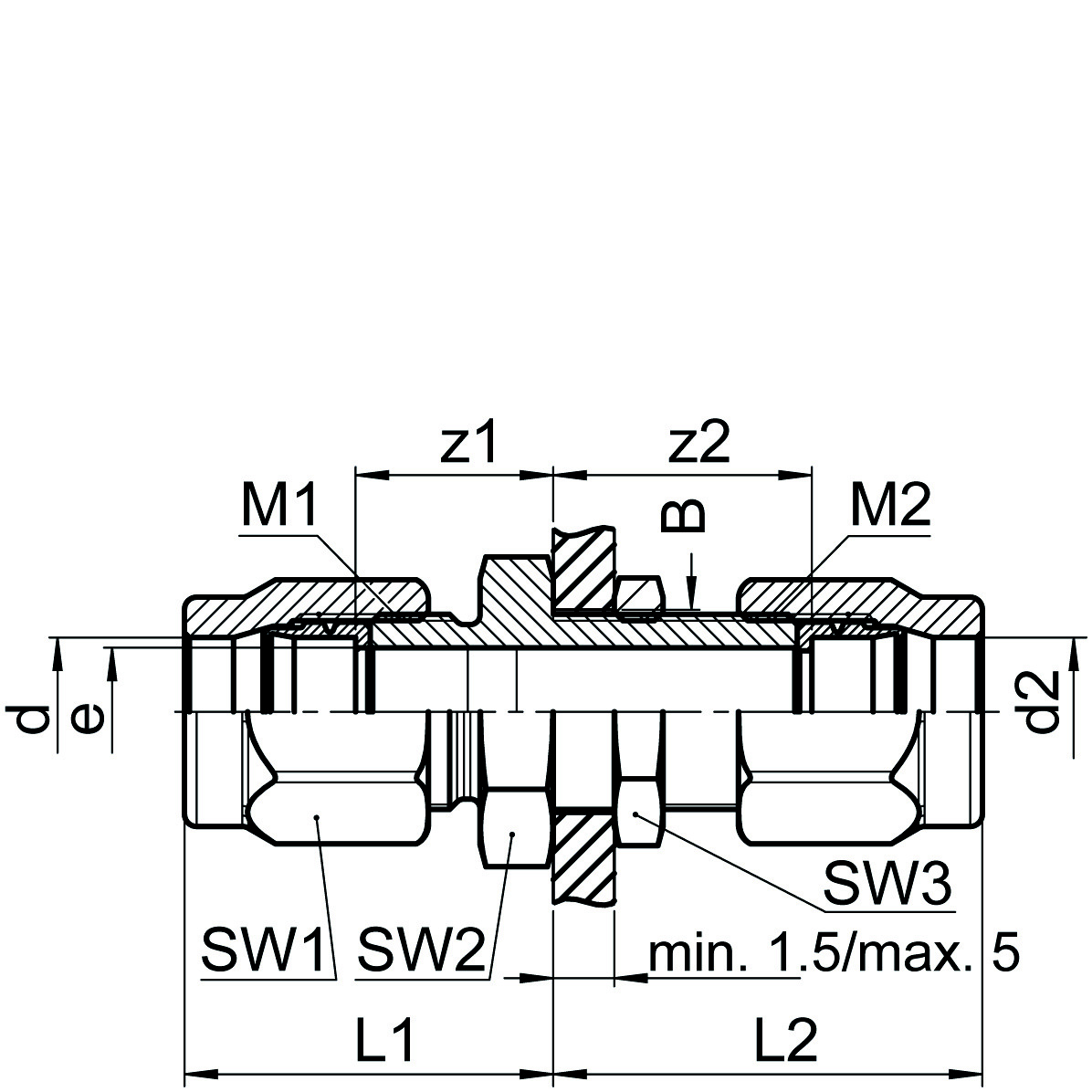
Artikelnummer RSK dd2barSW1/SW2/SW3BL1/L2z1/z2eM1M2Filer
0181504060 5312510/12/128.520,5/25,513,5/192.58x18x1
0181504110 6410012/14/1410.521/26,513,5/193.410x110x1
0181504117 6510012/14/1410.521/26,513,5/19410x110x1
0181504140 8625014/17/1712.523/2815/204.512x112x1
0181504190 10815017/19/1914.525,5/3115,5/216.514x114x1
0181504240 121010019/22/1916.527/3216/218.516x116x1
0181504420 15124024/27/2720.532/3719,5/24,51020x1,520x1,5
0181504430 15134024/27/2720.532/3719,5/24,51120x1,520x1,5
0181504610 18154027/30/2724.533,5/36,519,5/22,51824x1,524x1,5
0181504119 66.3525012/14/1410.521/26,513,5/194.510x110x1
0181504197 109.5212517/19/1914.525,5/3115,5/21814x114x1
0181504427 1512.74024/27/2720.532/3719,5/24,51120x1,520x1,5
Datablad