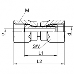
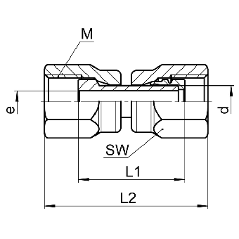
SO41325

Mässing Ställbar union

  • Ställbar union mässing
Visa alla mått +
Artikelnummer RSK dbarMSWL1L2eFiler
0181320060 6200M10x11220314
0181320120 1260M16x11929419
0181320150 1540M20x1.524324512
Datablad