SO41124 OR

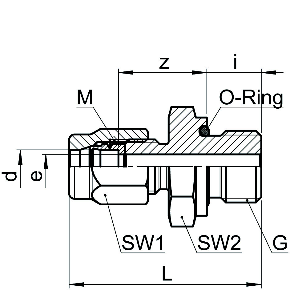
Mässing Union rak utv gänga o-ring i NBR

  • Rak koppling
  • Mässing
  • Utvändig gänga med o-ring i NBR
Visa alla mått +
Artikelnummer RSK dGbarLizMSW1SW2eFiler
0181171060 41/810030.5814.510x112142.5
0181171065 41/410034101610x112193.4
0181171082 51/810030.5814.510x112144
0181171084 51/410034101610x112194
0181171100 61/825030814.510x112144.5
0181171110 61/425034101610x112194.5
0181171120 63/825036.5101910x112224
0181171160 81/815032815.512x114145
0181171170 81/415033.5101712x114196.5
0181171180 83/815038.51018.514x117226.5
0181171270 101/412537101714x117196.5
0181171280 103/812538.51018.514x117228.5
0181171285 101/212542121916x117278.5
0181171390 123/810041.51018.516x1192210
0181171400 121/210042121916x1192710
0181171454 131/240461221.520x1,5242714
0181171502 143/84044.5102020x1,5242210.5
0181171504 141/240461221.520x1,5242712
0181171532 153/84044.5102020x1,5242210.5
0181171534 151/24046.51221.520x1,5242713
0181171566 161/24047.51221.524x1,5272713
0181171596 171/24047.51221.524x1,5272713
0181171598 173/440521222.528x1,5323215
0181171646 181/24047.51221.524x1,5272713
0181171648 183/425521222.528x1,5323216
0181171678 193/425521222.528x1,5323216
0181171768 223/425521222.528x1,5323219
0181171135 6.351/825030814.510x112144.5
0181171140 6.351/425033.5101610x112194.5
0181171230 9.521/412537101714x117196.5
0181171235 9.523/812538.51018.514x117228
0181171434 12.71/240461221.520x1,5242711
0181171541 15.881/24048.51221.524x1,5272713
Datablad