SO40526

Mässing Slangsockel

  • Mässing Slangsockel
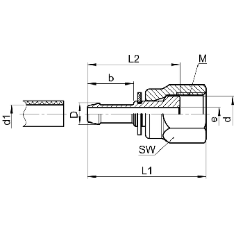
Visa alla mått +
Artikelnummer RSK dd1MSWL1L2DbeFiler
0180520240 121016x119423511.518.57
Datablad