SO40511

Mässing Slangsockel utv gänga

  • Mässing Slangsockel
  • Utvändig gänga
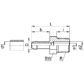
Visa alla mått +
Artikelnummer RSK d1RSWLDibFiler
0160511060 41/81023588
0160511100 61/810297.5812
0160511110 61/41434.57.51212
0160511160 81/810299.5812
0160511170 81/41434.59.51212
0160511180 83/817359.51212
0160511185 81/222409.51612
0160511265 101/8123111.5814
0160511270 101/41436.511.51214
0160511280 103/8173711.51219
0160511285 101/2224211.51614
0160511450 133/81739151215
0160511454 131/22244151615
0160511566 161/22249181618
0160511676 191/2224921.51618
0160511678 193/4275121.516.518
Datablad