SO40231 SAE

Mässing mutteranslutning

  • Mässing mutteranslutning
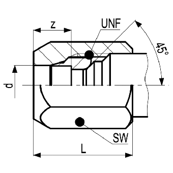
Visa alla mått +
Artikelnummer RSK dSWLzFiler
4162384063 1/4"17206.5
4162384095 3/8"19259.5
4162388100 1019259.5
4162388120 12223112.5
4162384127 1/2"223112.5
4162384158 5/8"273112.5
4162388158 5/8"273112.5
4162388160 16273112.5
4162388188 3/4"323111.5
Datablad