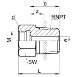
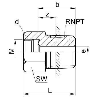
SO40040 NPT

Mässing Övergångsnippel utv gänga

  • Mässing Övergångsnippel
  • Utvändig gänga
Visa alla mått +
Artikelnummer RSK dRbarMSWLbzeFiler
0160402100 6NPT1/825010x11219136.34.5
0160402160 8NPT1/815012x11420136.36
Datablad