SO31600

PA Svivel utv gänga

  • PA Svivel
  • Utvändig gänga
  • Plastgänga bör endast användas mot plastgänga. Plast mot metall är ej att rekommendera
Visa alla mått +
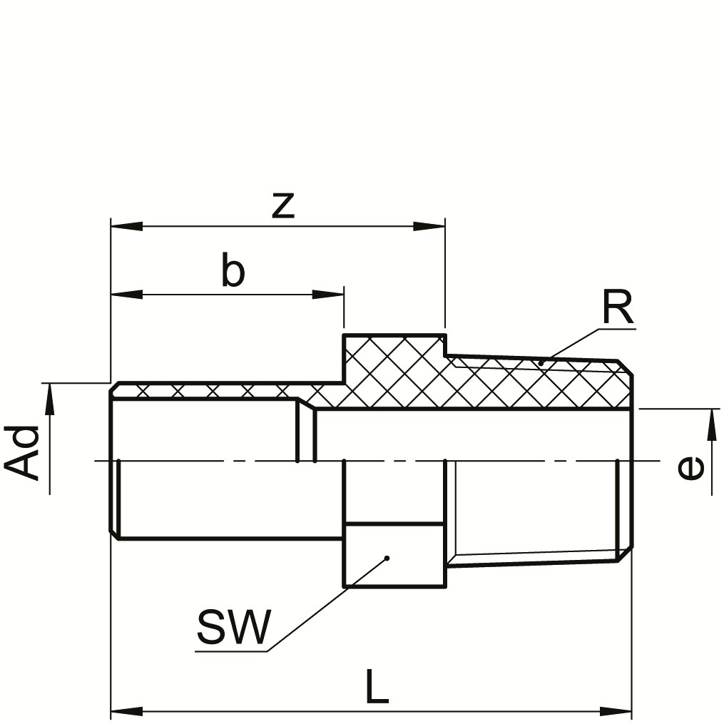
Artikelnummer RSK ADRbarLzSWbeFiler
1661601100 61/8"10271912134
1661601110 61/4"1031.519.514134
1661601120 63/8"10322017134
1661601160 81/8"10282012145
1661601170 81/4"1032.520.514146
1661601180 83/8"10332117146
1661601270 101/4"1033.521.517156.7
1661601280 103/8"10342217156.5
1661601285 101/2"10392322158
1661601380 121/4"1037.525.514196.7
1661601390 123/8"10382617198
1661601400 121/2"10432722198.5
Datablad