SO23721

PVDF Union T-rör utv gänga

  • PVDF T-rör union
  • Utvändig gänga
  • Vatten PN10 vid +20 °C
Visa alla mått +
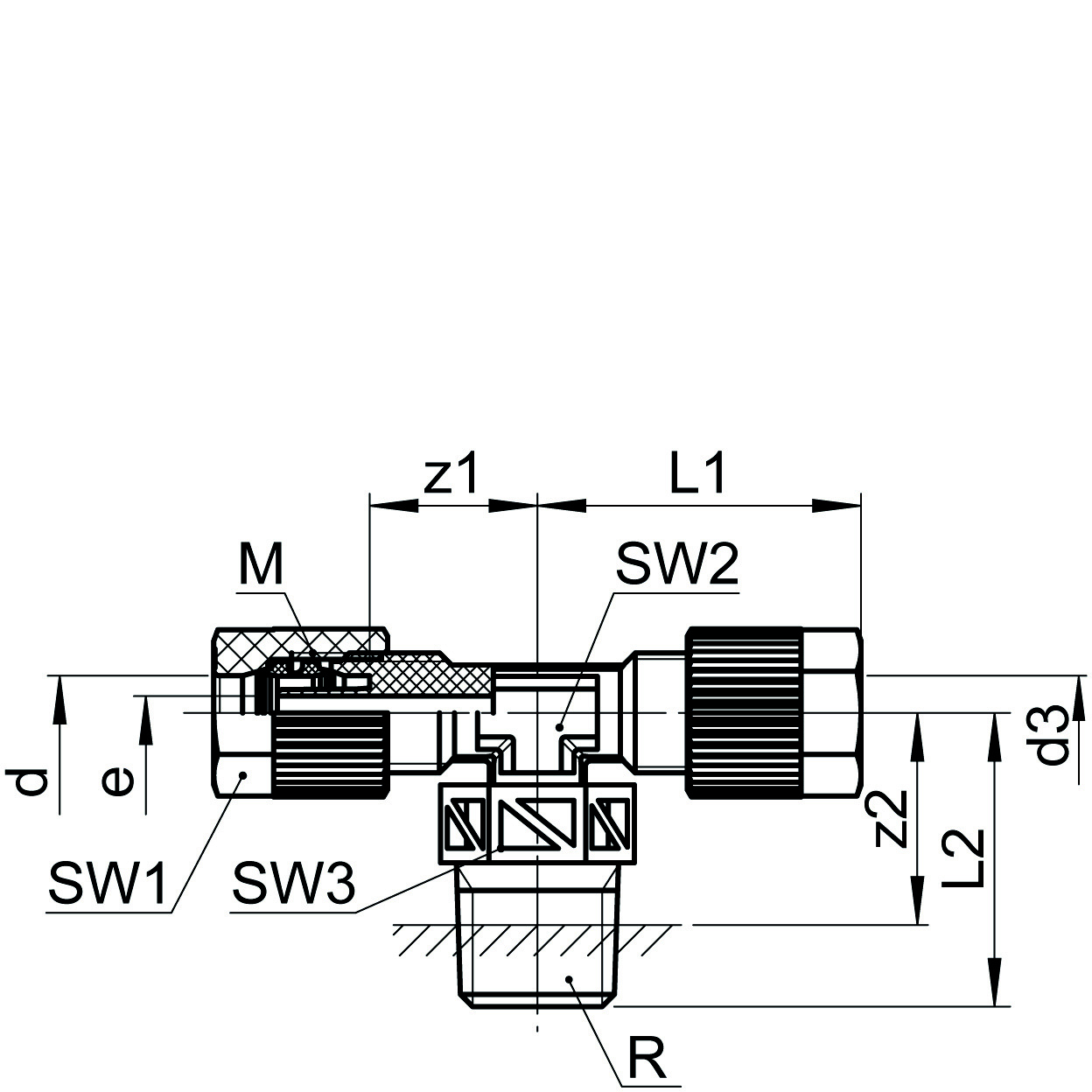
Artikelnummer RSK dRbareMSW1/SW2SW3L1/L2z1/z2z1Filer
1283701040 4/21/8103.110 x 112/81025/1914/11 CAD/Step
1283701045 4/21/4103.110 x 112/81425/24,514/12,5 CAD/Step
1283701100 6/41/8102.810 x 112/81025/1914/11
1283701110 6/41/4102.810 x 112/81425/24,514/12,5
1283701160 8/61/8104.812 x 114/101026,5/2014,5/12
1283701170 8/61/4104.812 x 114/101426,5/25,514,5/13,5
1283701270 10/81/4106.614 x 117/121430/26,516/14,5
1283701280 10/83/8106.614 x 117/121730/2716/15
1283701320 10/71/4105.614 x 117/121430/26,516/14,5
1283701330 10/73/8105.614 x 117/121730/2716/15
Datablad

Materialegenskaper