Hem / Produkter / Koppling / Slang / Instrumentkoppling / SO22721
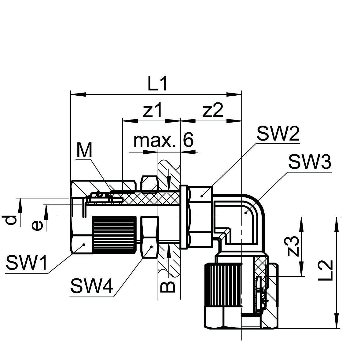
PVDF Union vinkel 90° skottgenomföring
”*” anger obligatoriska fält
E-postadress
Lösenord
Kom ihåg mig