SO21624

PVDF Svivel rak utv gänga

  • PVDF Svivel rak
  • Vatten PN10 vid +20 °C
  • Utvändig gänga
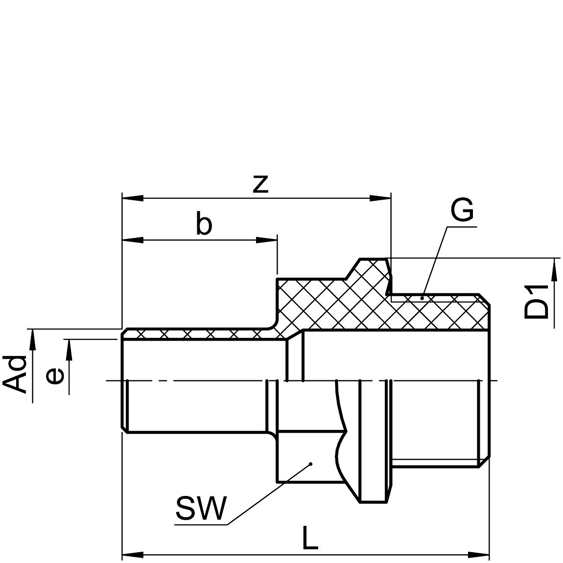
Visa alla mått +
Artikelnummer RSK ADGbarLzbeSWD1D2Filer
1261661100 61/81030.522.51341016 CAD/Step
1261661110 61/41032.522.51341319.5 CAD/Step
1261661120 63/81033.523.51341723.5 CAD/Step
1261661160 81/81031.523.5145.11016 CAD/Step
1261661170 81/41033.523.51461319.5
1261661180 83/81034.524.51461723.5
1261661185 A8×1/2"101334.519.5824.560.469
1261661270 101/41034.524.51581319
1261661280 103/81035.525.51581723.5
1261661285 101/21040.528.51581930
1261661380 121/41038.528.5197.81319.5
1261661390 123/81039.529.519101723.5
1261661400 121/21044.532.519101930
1261661564 163/81045.535.5259.81723.5
1261661566 161/21050.538.525131930 CAD/Step
1261661568 163/410554125132235 CAD/Step
Datablad

Materialegenskaper