SO03121 NPT

Mässing T-rör utv gänga NPT

  • Mässing T-rör
  • Utvändig NPT gänga
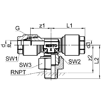
Visa alla mått +
Artikelnummer RSK dd3GbarRSW1/SW2/SW3L1L2z1z2eFiler
2483102170 881/4NPT1/414/11/17323922296
2483102270 10103/8NPT1/417/14/223541.52331.58
Datablad