SO02621

Mässing vinkelunion

  • Mässing vinkelunion med svivel
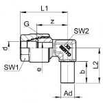
Visa alla mått +
Artikelnummer RSK dGADbarSW1SW2L1L2bzeFiler
2482600140 141/21464221945.5312129.511
2482600150 151/21564221945.5312129.512
Datablad