SO02421

Mässing vinkelunion utv gänga

  • Mässing vinkelunion
  • Utvändig gänga
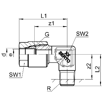
Visa alla mått +
Artikelnummer RSK dGbarRSW1SW2L1L2z1z2eFiler
2482401060 41/81251/8121026.519.52013.53.4
2482401082 51/81251/812102719.52013.54
2482401230 9.523/81001/41714352523158
2482401235 9.523/81003/81714352523168
2482401240 9.523/81001/217194131.529198
2482401430 12.71/21001/419173925.526167
2482401432 12.71/21003/819173925261610
2482401434 12.71/21001/219194231.5291912
2482401502 141/2643/8221742.52526.51610
2482401504 141/2641/2221942.531.529.51912
2482401506 141/2643/4222247.53431.52012
2482401532 151/2643/8221742.52526.51610
2482401536 151/2643/4222247.53431.52012
Datablad