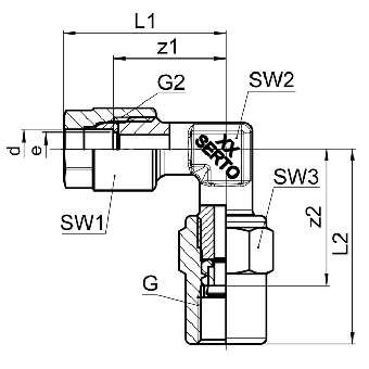
SO02221

Mässing vinkelunion inv gänga

  • Mässing vinkelunion
  • Invändig gänga
Visa alla mått +
Artikelnummer RSK dGxG2barSW1/SW2/SW3L1L2z1z2eFiler
2482201100 61/8x1/812512/10/142833.52023.54
2482201110 61/4x1/812512/10/19283520244
2482201120 63/8x1/812512/10/222836.52024.54
2482201160 81/8x1/412514/11/1731.535.52225.56
2482201170 81/4x1/412514/11/1931.53722266
2482201180 83/8x1/412514/11/2231.538.52226.56
2482201270 101/4x3/810017/14/22353823278
2482201280 103/8x3/810017/14/243539.52327.58
2482201285 101/2x3/810017/14/30354223288
2482201380 121/4x1/210019/17/2739.54126268.5
2482201390 123/8x1/210019/17/2739.542.52630.510
2482201534 151/2x1/26422/19/3045.54829.53412
2482201536 153/4x1/26422/19/3245.551.529.534.512
Datablad