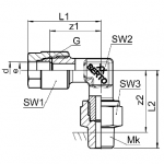
SO02121 METR

Mässing vinkelunion utv gänga

  • Mässing vinkelunion
  • Utvändig metrisk gänga
Visa alla mått +
Artikelnummer RSK dGMbarSW1/SW2/SW3L1L2z1z2eFiler
2482103180 61/8M10x112512/10/142829.52024.55
2482103240 81/4M12x1.512514/11/1731.53722296
2482103280 103/8M14x1.510017/14/223539.52331.58
2482103330 121/2M16x1.510019/17/2739.542.52634.510
Datablad