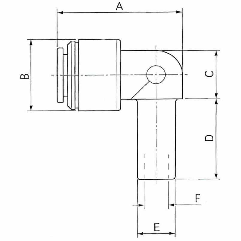
Hem / Produkter / Koppling / Slang / Instrumentkoppling / PM22
Acetal Instickskoppling vinkel 90°
”*” anger obligatoriska fält
E-postadress
Lösenord
Kom ihåg mig