ADH A

Syrafast adaptor

  • Syrafast adaptor
  • UtvĂ€ndig/invĂ€ndig gĂ€nga
  • SS 316 Ti, 1.4571
Visa alla mÄtt +
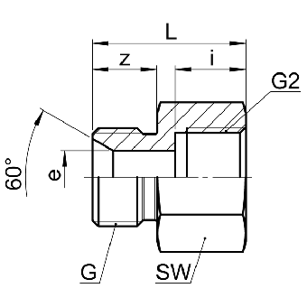
Artikelnummer RSK GxG2barSWLzieFiler
4965320166 3/8x3/8200222611129
4965320228 1/2x1/22002729121412
Datablad