ADFE

Syrafast Vinkel 90° inv gänga

  • Syrafast Vinkel 90°
  • Rostfritt stål 1.4571, AISI 316 Ti
  • Invändig gänga
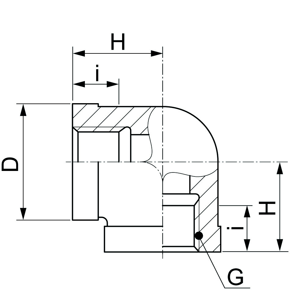
Visa alla mått +
Artikelnummer RSK GBSPDHiFiler
TAD5300042 1/8"14.5176
TAD5300104 1/4"17.5198
TAD5300166 3/8"20239
TAD5300228 1/2"26279.5
TAD5300292 3/4"31.531.511.5
TAD5300414 1"3936.514
Datablad