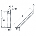
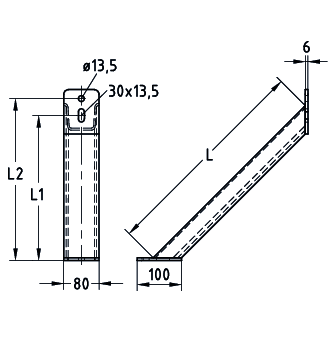
MPT vinkelsträva

För MPT-skena FZV

  • Ytbehandling: Varmförzinkad FZV
  • För MPT Q50, Q80, Q100, Q150
  • Extra kraftig vinkelförstärkning
  • 485 mm eller 909 mm lång
  • Monteras med MPT-hammarbult
Visa alla mått +
Artikelnummer RSK LFiler
MU-176054 485 mm CAD/Step
MU-176055 909 mm CAD/Step
Datablad