MPT-SKENPLATTA T FZV

Skenplatta T-platta FZV

  • Ytbehandling: Varmförzinkad
  • För MPT-skena
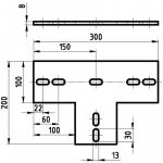
Visa alla mÄtt +
Artikelnummer RSK L (mm)B (mm)s (mm)Filer
MU-151340 3002008 CAD/Step
Datablad