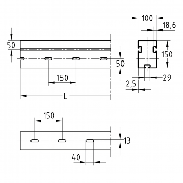
MPT-Skena Q150

MPT-skena 150mm. FZV tre spår

  • Varmförzinkad FZV
  • Profil 150x100 mm
  • Godstjocklek 2.5 mm
  • Längd 7050 mm
Visa alla mått +
Artikelnummer RSK TypFiler
MU-161079 Trespårig Q150 CAD/Step
Datablad