MPT-Skena Q100

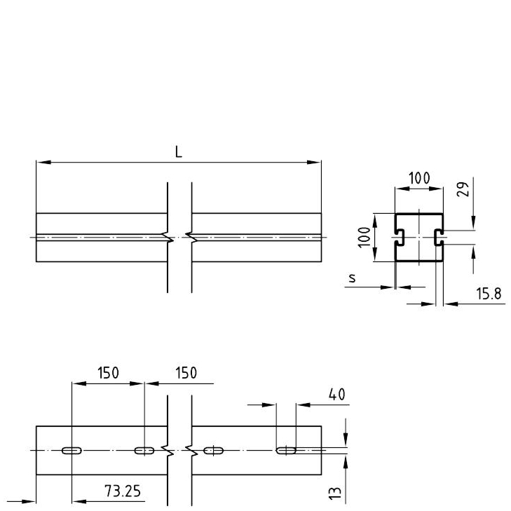
MPT-skena 100 mm FZV två spår

  • Varmförzinkad FZV
  • Profil 100x100 mm
  • Godstjocklek 2.5 mm eller 3.5 mm
  • Längd 6000 mm
Visa alla mått +
Artikelnummer RSK L (mm)sFiler
MU-131608 60002.5 CAD/Step
MU-131609 60003.5 CAD/Step
Datablad

Tillbehör

MPT-Ändskydd

Ändskydd till skenor: Q50-Q100

MPT-konsol Q50

Konsol Q50 FZV

MPT-Skenfot FZV Q100

Skenfot för MPT 100x100 FZV

MPT-Balkklammer FZV

Balkklammer U-bygel FZV

MPT-Hammarbult FZV

M10-M12 Q50/100/150 FZV